位置決めステージ 【モンブランシリーズ】
※実物のケーブル長は画像と異なります
価格(JPY) ¥182,000
  • 図面閲覧
    図面ダウンロード
    ステージ結線図
メカ仕様
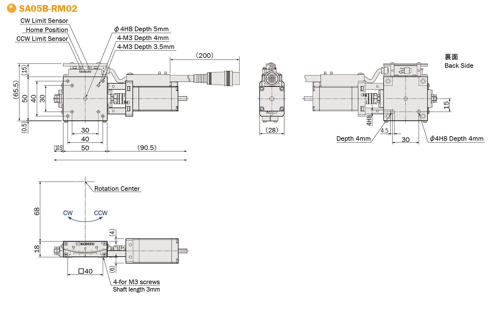
型式
SA05B-RM02
勝手違い
SA05B-RM02-R
テーブル面
50mm×50mm
案内方式
精密クロスローラガイド
回転範囲
±10°
送り方式
ウォーム&ウォームホイール
分解能 フル/ハーフ
0.0012°/0.0006°
分解能 マイクロステップ(1/20分割)
0.00006°
最高速度
6°/sec
繰返し位置決め精度
≦±0.001° (AVE.±0.0001°)
ロストモーション
≦0.003° (AVE. 0.0011°)
バックラッシュ
≦0.001° (AVE. 0.0001°)
モーメント剛性
0.31 arcsec/N・cm (AVE. 0.19 arcsec/N・cm)
水平耐荷重
29.4N (3kgf)
ワークディスタンス
68mm±0.2mm
回転中心変位量
φ0.05mm/±10°
材質
真鍮
外観
梨地仕上げ
自重
0.6kg
電気仕様
センサ基板型式
F-116(HOME, LIMIT), 勝手違い: F-116R(HOME, LIMIT)
モーター軸径
Φ5mm , オプションハンドル:A type
使用モーター 5相ステッピングモーター
オリエンタルモーター: PK525HPMB(定格電流 0.75A/相,基本ステップ角 0.36°)
コネクタ型式
ヒロセ: RP13A-12JG-20PC
2相モーター仕様 型式
SA05B-RM02-BM
2相モーター仕様:使用モーター
オリエンタルモーター: PKP225D15B2
2相モーター仕様:コネクタ型式
ヒロセ: RP13A-12JG-20PC
オーバーホール費
¥36,000~
※オーバーホール費に交換部品代は含まれません
オプション・グリス交換
クリーングリス交換費( 型式末尾に”-C”が付きます)
¥24,000
真空グリス交換費(型式末尾に”-V”が付きます)
¥24,000
オプション・モータ交換
同形モータ交換費
¥12,000~
異形モータ交換費
¥33,000~
※モータ交換費に モータ費用は含まれません ※同形、異形によらず、ステッピングモーター以外のモーター変更は都度御見積となります
備考・特徴

●案内方式は精密クロスローラガイドを使用。
●本体材質は真鍮梨地仕上げ。
●5相ステッピングモーター使用。
●KOSMOSシリーズコントローラのご使用をお勧め致します。
●モーター5本リード線用ケーブルをご使用ください。