位置決めステージ 【モンブランシリーズ】
価格(JPY) ¥506,000
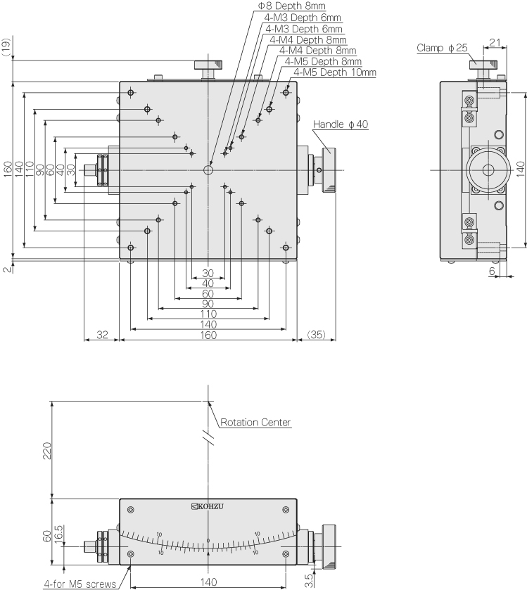
  • 図面閲覧
    図面ダウンロード
メカ仕様
型式
SH16A-RT
勝手違い
SH16A-RT-R
テーブル面
160mm×160mm
案内方式
精密クロスローラガイド
駆動方式
ハンドル
回転範囲
±10°
ワークディスタンス
220mm±0.5mm
最小読み取り
0.1°(バーニア)
回転角
0.705°/ハンドル1回転
モーメント剛性
0.02 arcsec/N・cm
水平耐荷重
196N (20kgf)
回転中心変位量
φ0.5mm/±10°
材質
アルミ合金
外観
白色仕上げ
自重
5.2kg
オーバーホール費
¥36,000~
※オーバーホール費に交換部品代は含まれません
オプション・グリス交換
クリーングリス交換費( 型式末尾に”-C”が付きます)
¥24,000
真空グリス交換費(型式末尾に”-V”が付きます)
¥24,000
備考・特徴

●テーブルサイズ160×160mmの大型手動スイベル(ゴニオ)ステージです。
●案内方式は精密クロスローラガイドを使用。
●本体材質はアルミ白色仕上げ。